永信贵宾会-欢迎您永信贵宾会

Stock Code:002449
Back

IMD-M09T

apply to HDR

永信贵宾会-欢迎您/>

FEATURES

①Integrated Matrix Device (IMD) solution, smaller pixel pitch, higher definition image display.

②Integrated Matrix Device (IMD) solution, smaller pins, solve the problems of soldering strength and crash.

③High precision cutting technology, solve the problems of warping and mixed light in display, achieve to the seamless combination

④Gold wire bonding, better reliability.

⑤Reduce the effect of moore grain, no modular color difference in whole screen, 100% tested and binning, better color consistency.

PRODUCT PARAMETERS

Product Name

Color IF(mA)
TEST
λd(nm)
Typ
Iv(mcd)
Typ
Vf(V)
Typ
View angle
(deg.)

IMD-M09T
1.6×1.6×0.67

5 620 15 2.0 120
2 535 25 2.6 120
2 464 3.5 2.7 120

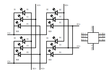
DIMENSIONS/UNIT(mm)

永信贵宾会-欢迎您 />

永信贵宾会-欢迎您 />


永信贵宾会