永信贵宾会-欢迎您永信贵宾会

Stock Code:002449
Back

2016 Series

Low Power High Luminous Efficacy

永信贵宾会-欢迎您

FEATURES:


• High refringence,high brightness, anti-sulfur.
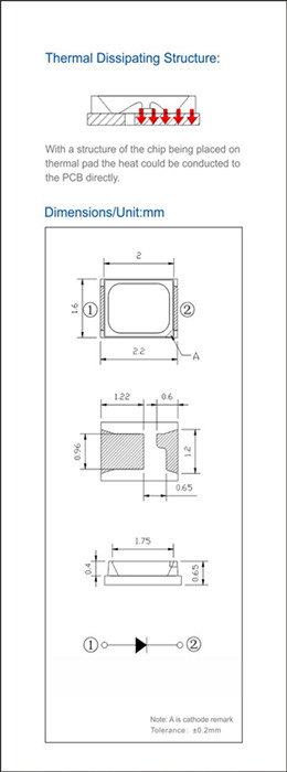
•Thin encapsulation with heat sink, efficient heat dissipation.
• High luminous efficiency,high-CRI,long lifespan.
• Eco-friendly,RoHS compliant

Rated power:0 . 2 W


ABSOLUTE MAXIMUM RATINGS:

Parameter Symbol Rating
Forward Current IF 75mA
Pulse Forwards Current*²
IFP 200mA
Reverse Voltage
VR
5V
Working Temperature
TOPR
-30~+85℃
Storage Temperature
TSTG
-40~+100℃


PRODUCT PARAMETERS/TA=25℃:

Color Part number Color Temp(K) CRI Ra Min I F( mA)
TEST
Φv(l m)
Typ.
VF( V)
Typ.
Natural white FM-2016-WNS-460Q-R80 5600-6500 80 60 22 3.2
Neutral white
FM-2016-WDS-460Q-R80 3700-4200 80 60 22 3.2
Warm white
FM-2016-WLS-460Q-R80
2800-3200
80
60
20
3.2

DIMENSIONS/UNIT(mm):

永信贵宾会-欢迎您

永信贵宾会